解决方案
当前位置: 首页 平博在线平台 解决方案
处理类 作者: 时间:2019-01-10

处理类

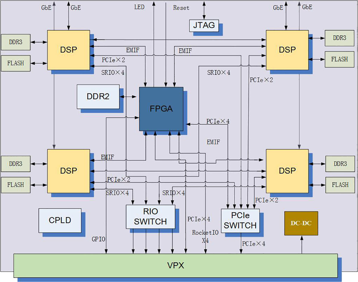
 公司精通各处理器平台系统硬件开发能力,可提供基于各类处理器的BSP开发和技术支持服务,以信号处理硬件平台为基础,为客户提供定制化软件开发服务。针对各种处理器平台,公司形成了全方位、系统化信号处理硬件平台产品,具备非常专业的设计开发经验,具有最便捷的原厂通道,以最先、最快、性能最佳的方式为客户提供可靠、优质的硬件平台和专业的技术服务。

应用领域:

l 信号处理;

l 通信处理;

l 医疗系统;

l 算法仿真及验证等多种应用领域;



上一篇:采集类 下一篇:存储类